晶振分類
- 晶振系列
- 陶瓷晶振
- 陶瓷濾波器
- 微孔霧化片
- 希華晶體
- 石英晶振
- SMD晶振
- 聲表面諧振器
- NSK晶振
- TXC晶振
- 臺灣加高晶振
- 臺灣鴻星晶振
- 百利通亞陶晶振
- 臺灣泰藝晶振
- AKER晶振
- NKG晶振
- 進口晶振
- KDS晶振
- 精工晶振
- 村田晶振
- 西鐵城晶振
- 愛普生晶振
- 亞陶,嘉碩晶體
- CTS晶體
- 京瓷晶振
- NDK晶振
- 大河晶振
- 瑪居禮晶振
- 富士晶振
- NAKA晶振
- SMI晶振
- NJR晶振
- 移動設備
- 數碼電子
- 通信網絡
- 醫療電子
- 安防GPRS導航
- 汽車電子
- 歐美晶振
- Abracon晶振
- 康納溫菲爾德晶振
- 日蝕晶振
- ECS晶振
- 高利奇晶振
- 格林雷晶振
- IDT晶振
- JAUCH晶振
- Pletronics晶振
- 拉隆晶振
- Statek晶振
- SiTime晶振
- 維管晶振
- 瑞康晶振
- 微晶晶振
- AEK晶振
- AEL晶振
- Cardinal晶振
- Crystek晶振
- Euroquartz晶振
- Fox晶振
- Frequency晶振
- GEYER晶振
- KVG晶振
- ILSI晶振
- Mmdcomp晶振
- MtronPTI晶振
- QANTEK晶振
- QuartzCom晶振
- Quarztechnik晶振
- Suntsu晶振
- Transko晶振
- Wi2Wi晶振
- ACT晶振
- MTI-milliren晶振
- Lihom晶振
- Rubyquartz晶振
- Oscilent晶振
- SHINSUNG晶振
- ITTI晶振
- PDI晶振
- IQD晶振
- Microchip晶振
- Silicon晶振
- Anderson晶振
- Fortiming晶振
- CORE晶振
- NIPPON晶振
- NIC晶振
- QVS晶振
- Bomar晶振
- Bliley晶振
- GED晶振
- FILTRONETICS晶振
- STD晶振
- Q-Tech晶振
- Wenzel晶振
- NEL晶振
- EM晶振
- PETERMANN晶振
- FCD-Tech晶振
- HEC晶振
- FMI晶振
- Macrobizes晶振
- AXTAL晶振
- Sunny晶振
- ARGO晶振
- 石英晶體振蕩器
- 有源晶振
- 溫補晶振
- 壓控晶振
- 壓控溫補晶振
- 恒溫晶振
- 差分晶振
常見問題
更多>>
JAUCH集團是石英晶體、石英晶體振蕩器和電池技術的主要專家之一.公司成立于1954年,現在是頻率控制產品行業的龍頭企業之一,最近還擁有創新的MEMS計時時鐘.我們是未來鋰離子和鋰聚合物電池市場的專家.以獨特的深度技術咨詢、高應用和認證專業知識、先進的測試環境、高可用性和快速交付的產品和全球最大的石英晶振頻率生成設備倉庫來強調我們的領導能力.我們已投資于位于villingen - schwenningen總部的生產設施,以及時滿足世界各地的客戶需求:MEMS振蕩器在我們自己的生產設施中配置并交付,關注時效性.
我們希望在質量和業務方面成為國際領先的石英晶振公司.因此,我們仍然是一個有吸引力和可靠的雇主,并且是一個先進且持續成功的公司. 我們的基本原則,包括我們的雇員的安全和健康,童工,歧視,公平薪酬,腐敗,賄賂以及環境保護,都在JAUCH集團的行為準則中得到了支持.在良好的商業關系基礎上,我們期望每個參與公司成功的人都能遵守這些行政原則.

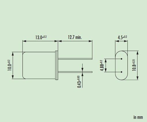
JAUCH晶振,石英晶振,HC49/U晶振,引腳焊接型石英晶體元件.工廠倉庫長時間大量庫存常用頻點,.高精度的頻率和晶振本身更低的等效串聯電阻.常用負載電容,49石英晶振,因插件型鏡頭成本更低和更高的批量生產能力.主要應用于電視,機頂盒,LCDM和游戲機家用常規電器數碼產品等的最佳選擇.符合RoHS/無鉛.
|



輻射
晶振產品暴露于輻射環境會導致石英晶體性能受到損害,因此應避免照射.
化學制劑 / pH值環境
請勿在PH值范圍可能導致腐蝕或溶解進口晶振或包裝材料的環境下使用或儲藏這些產品.JAUCH晶振,石英晶振,HC49/U晶振。
粘合劑
請勿使用可能導致SMD晶振所用的封裝材料,終端,組件,玻璃材料以及氣相沉積材料等受到腐蝕的膠粘劑. (比如,氯基膠粘劑可能腐蝕一個晶體單元的金屬“蓋”,從而破壞密封質量,降低性能.)
機械振動的影響HC49/U晶振,插件型石英晶振,引腳型石英晶體。
當晶振產品上存在任何給定沖擊或受到周期性機械振動時,比如:壓電揚聲器,壓電蜂鳴器,以及喇叭等,輸出頻率和幅度會受到影響.這種現象對通信器材通信質量有影響.盡管晶體產品設計可最小化這種機械振動的影響,我們推薦事先檢查并按照下列安裝指南進行操作.

JAUCH晶振公司嚴格遵守國家有關工程建設法律、法規,不斷提高員工的質量意識和能力,履行合約、信守承諾,堅持開拓創新,生產新產品,不斷提升企業的施工技術素質和質量管理水平,以科學學嚴密的施工管理和真誠的服務讓業主高度滿意. 嚴格遵守國家職業安全健康法律、法規,培養員工的安全意識和能力,持續改進職業安全健康管理績效,提高49U插件晶振生產效率,預先采取安全措施,消除或降低危險,HC49/U晶振,插件型石英晶振,引腳型石英晶體。
JAUCH晶振公司自覺遵守有關環境法律、法規,培養員工的環保意識和生產49U插件石英晶體產品能力,持續改進環保績效,優先使用環保型材料、設備及施工工藝,做到污染預防,最終創建具有環保、節能、適宜性特征的優質工程.大力推進科技進步,加強環境科學研究,積極發展環境保護產業.健全環境法規,強化環境管理.加強環境教育,不斷提高環境意識.JAUCH晶振,石英晶振,HC49/U晶振。
JAUCH晶振本于‘善盡企業責任、降低環境沖擊、提升員工健康’的理念,執行各項環境及職業安全衛生管理工作;落實公司環安衛政策要求使環境暨24M石英諧振器產品安全衛生管理成效日益顯著,不僅符合國內環保、勞安法令要求,同時也能達到國際環保、安全衛生標準.2003年通過ISO14001環境管理系統驗證,秉持“污染預防、持續改善”之原則.


深圳市兆現電子有限公司
聯系人:龔成
電話:0755--27876236聯系人:龔成
QQ:769468702
手機:13590198504
郵箱:zhaoxiandz@163.com
網站:http://m.aussielandgroup.com/