晶振分類
- 晶振系列
- 陶瓷晶振
- 陶瓷濾波器
- 微孔霧化片
- 希華晶體
- 石英晶振
- SMD晶振
- 聲表面諧振器
- NSK晶振
- TXC晶振
- 臺灣加高晶振
- 臺灣鴻星晶振
- 百利通亞陶晶振
- 臺灣泰藝晶振
- AKER晶振
- NKG晶振
- 進口晶振
- KDS晶振
- 精工晶振
- 村田晶振
- 西鐵城晶振
- 愛普生晶振
- 亞陶,嘉碩晶體
- CTS晶體
- 京瓷晶振
- NDK晶振
- 大河晶振
- 瑪居禮晶振
- 富士晶振
- NAKA晶振
- SMI晶振
- NJR晶振
- 移動設備
- 數碼電子
- 通信網絡
- 醫療電子
- 安防GPRS導航
- 汽車電子
- 歐美晶振
- Abracon晶振
- 康納溫菲爾德晶振
- 日蝕晶振
- ECS晶振
- 高利奇晶振
- 格林雷晶振
- IDT晶振
- JAUCH晶振
- Pletronics晶振
- 拉隆晶振
- Statek晶振
- SiTime晶振
- 維管晶振
- 瑞康晶振
- 微晶晶振
- AEK晶振
- AEL晶振
- Cardinal晶振
- Crystek晶振
- Euroquartz晶振
- Fox晶振
- Frequency晶振
- GEYER晶振
- KVG晶振
- ILSI晶振
- Mmdcomp晶振
- MtronPTI晶振
- QANTEK晶振
- QuartzCom晶振
- Quarztechnik晶振
- Suntsu晶振
- Transko晶振
- Wi2Wi晶振
- ACT晶振
- MTI-milliren晶振
- Lihom晶振
- Rubyquartz晶振
- Oscilent晶振
- SHINSUNG晶振
- ITTI晶振
- PDI晶振
- IQD晶振
- Microchip晶振
- Silicon晶振
- Anderson晶振
- Fortiming晶振
- CORE晶振
- NIPPON晶振
- NIC晶振
- QVS晶振
- Bomar晶振
- Bliley晶振
- GED晶振
- FILTRONETICS晶振
- STD晶振
- Q-Tech晶振
- Wenzel晶振
- NEL晶振
- EM晶振
- PETERMANN晶振
- FCD-Tech晶振
- HEC晶振
- FMI晶振
- Macrobizes晶振
- AXTAL晶振
- Sunny晶振
- ARGO晶振
- 石英晶體振蕩器
- 有源晶振
- 溫補晶振
- 壓控晶振
- 壓控溫補晶振
- 恒溫晶振
- 差分晶振
常見問題
更多>>
Vectron晶振公司總部位于美國北部的哈德遜,在北美、歐洲和亞洲設有運營設施和銷售辦事處,它的技術能力在水晶振蕩器和濾光器設計方面都很有名.是世界領先的頻率控制、傳感器和混合產品解決方案的設計、制造和營銷的領導者,它采用了從直流到微波頻率的大量聲波(BAW)和表面聲波(SAW)的最新技術.產品包括晶體和晶體振蕩器;頻率翻譯;時鐘和數據恢復產品;看到過濾器;用于電信、數據通信、頻率合成器、定時、導航、軍事、航空和儀表系統的水晶過濾器和組件.
Vectron晶振公司既是一個石英晶體振蕩器產品制造商,也是一個解決方案提供商,以其獨特的技術領先,但總是準備設計和設計定制解決方案,在那里需要.美國威克創抯核心競爭力結合了經典的水晶,看到技術和復雜的集成電路和先進的包裝.除了這些偉大的創新能力之外,Vectron還致力于非常靈活和專注于服務,快速和專業地幫助客戶創新、改進和發展他們的業務.

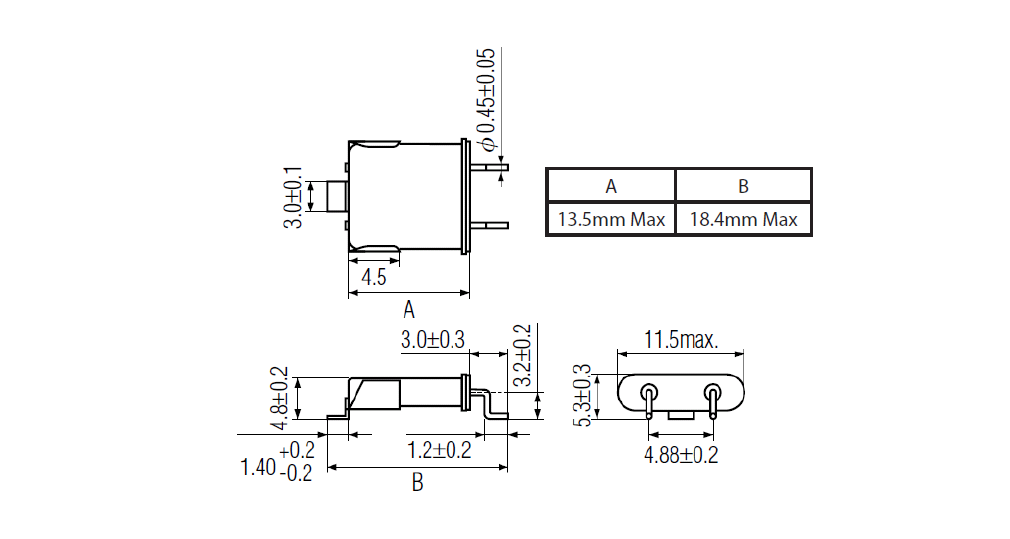
Vectron晶振,石英晶振,VXA7晶振,49U插件晶振,引腳焊接型石英晶體元件.工廠倉庫長時間大量庫存常用頻點,.高精度的頻率和晶振本身更低的等效串聯電阻.常用負載電容,49/S石英晶振,因插件型鏡頭成本更低和更高的批量生產能力.主要應用于電視,機頂盒,LCDM和游戲機家用常規電器數碼產品等的最佳選擇.符合RoHS/無鉛.
注意:在石英晶體測量中各個廠家的儀器會存在一定的差距(誤差),所以應對晶振晶體測試儀器做特別管制.尤其是小公差產品.目前本公司的標準儀器在品管部.DIP 產品為 250A,SMD產品為 250B.品管部應對公司內每臺單機每個月進行一次校對.自動測試機用平移法進行測試.同時保留和記錄與不同客戶之間的誤差.在生產中用平移法解決.高精度的頻率、
|



機械振動的影響
當晶振產品上存在任何給定沖擊或受到周期性機械振動時,比如:壓電揚聲器,壓電蜂鳴器,以及喇叭等,輸出頻率和幅度會受到影響.這種現象對通信器材通信質量有影響.盡管晶體產品設計可最小化這種機械振動的影響,我們推薦事先檢查并按照下列安裝指南進行操作.
PCB設計指導
(1) 理想情況下,機械蜂鳴器應安裝在一個獨立于音叉晶體器件的PCB板上.如果您安裝在同一個PCB板上,最好使用余量或切割PCB.當應用于PCB板本身或PCB板體內部時,機械振動程度有所不同.建議遵照內部板體特性.
(2) 在設計時請參考相應的推薦封裝.
(3) 在使用焊料助焊劑時,按JIS標準(JIS C 60068-2-20/IEC 60,068-2-20).來使用.
(4) 請按JIS標準(JIS Z 3282, Pb 含量 1000ppm, 0.1wt% 或更少)來使用無鉛焊料.Vectron晶振,石英晶振,VXA7晶振,49U插件晶振。
存儲事項
(1) 在更高或更低溫度或高濕度環境下長時間保存進口貼片晶振產品時,會影響頻率穩定性或焊接性.請在正常溫度和濕度環境下保存這些晶體產品,并在開封后盡可能進行安裝,以免長期儲藏.正常溫度和濕度: 溫度:+15°C 至 +35°C,濕度 25 % RH 至 85 % RH(請參閱“測試點JIS C 60068-1 / IEC 60068-1的標準條件”章節內容).
(2) 請仔細處理內外盒與卷帶.外部壓力會導致卷帶受到損壞.

VECTRON晶振工廠、辦公室節能、省資源、資源循環、化學物質的合理管理推動,地球溫暖化防止及循環型社會的實現貢獻.與采購單位、供應商等的客戶合作,實行可持續發展戰略.采取有效措施,防治插件石英晶體工業污染.提高能源利用效率,改善能源結構.運用經濟手段保護環境.大力推進科技進步,加強環境科學研究,積極發展環境保護產業.健全環境法規,強化環境管理.加強環境教育,不斷提高環境意識.
嚴格遵守國家職業安全健康法律、法規,培養員工的安全意識和能力,持續改進職業安全健康管理績效,提高生產效率,預先采取安全措施,消除或降低危險,不斷提高員工的質量意識和能力,履行合約、信守承諾,堅持開拓創新,生產新49U石英晶振產品,不斷提升企業的施工技術素質和質量管理水平,以科學學嚴密的施工管理和真誠的服務讓業主高度滿意. Vectron晶振,石英晶振,VXA7晶振,49U插件晶振。
VECTRON晶振勞工職業安全衛生議題近年成為世界各國及企業關注焦如何做到‘降低職業災害發生、確保壓電石英晶體生產工作場所安全、實施員工健康管理’一直是VECTRON晶體努力的方向,公司于2008年12月通過OHSAS18001職業安全衛生管理系統驗證,提供勞工符合系統要求的安全衛生工作環境.


深圳市兆現電子有限公司
聯系人:龔成
電話:0755--27876236聯系人:龔成
QQ:769468702
手機:13590198504
郵箱:zhaoxiandz@163.com
網站:http://m.aussielandgroup.com/