晶振分類
- 晶振系列
- 陶瓷晶振
- 陶瓷濾波器
- 微孔霧化片
- 希華晶體
- 石英晶振
- SMD晶振
- 聲表面諧振器
- NSK晶振
- TXC晶振
- 臺灣加高晶振
- 臺灣鴻星晶振
- 百利通亞陶晶振
- 臺灣泰藝晶振
- AKER晶振
- NKG晶振
- 進口晶振
- KDS晶振
- 精工晶振
- 村田晶振
- 西鐵城晶振
- 愛普生晶振
- 亞陶,嘉碩晶體
- CTS晶體
- 京瓷晶振
- NDK晶振
- 大河晶振
- 瑪居禮晶振
- 富士晶振
- NAKA晶振
- SMI晶振
- NJR晶振
- 移動設備
- 數碼電子
- 通信網絡
- 醫療電子
- 安防GPRS導航
- 汽車電子
- 歐美晶振
- Abracon晶振
- 康納溫菲爾德晶振
- 日蝕晶振
- ECS晶振
- 高利奇晶振
- 格林雷晶振
- IDT晶振
- JAUCH晶振
- Pletronics晶振
- 拉隆晶振
- Statek晶振
- SiTime晶振
- 維管晶振
- 瑞康晶振
- 微晶晶振
- AEK晶振
- AEL晶振
- Cardinal晶振
- Crystek晶振
- Euroquartz晶振
- Fox晶振
- Frequency晶振
- GEYER晶振
- KVG晶振
- ILSI晶振
- Mmdcomp晶振
- MtronPTI晶振
- QANTEK晶振
- QuartzCom晶振
- Quarztechnik晶振
- Suntsu晶振
- Transko晶振
- Wi2Wi晶振
- ACT晶振
- MTI-milliren晶振
- Lihom晶振
- Rubyquartz晶振
- Oscilent晶振
- SHINSUNG晶振
- ITTI晶振
- PDI晶振
- IQD晶振
- Microchip晶振
- Silicon晶振
- Anderson晶振
- Fortiming晶振
- CORE晶振
- NIPPON晶振
- NIC晶振
- QVS晶振
- Bomar晶振
- Bliley晶振
- GED晶振
- FILTRONETICS晶振
- STD晶振
- Q-Tech晶振
- Wenzel晶振
- NEL晶振
- EM晶振
- PETERMANN晶振
- FCD-Tech晶振
- HEC晶振
- FMI晶振
- Macrobizes晶振
- AXTAL晶振
- Sunny晶振
- ARGO晶振
- 石英晶體振蕩器
- 有源晶振
- 溫補晶振
- 壓控晶振
- 壓控溫補晶振
- 恒溫晶振
- 差分晶振
常見問題
更多>>

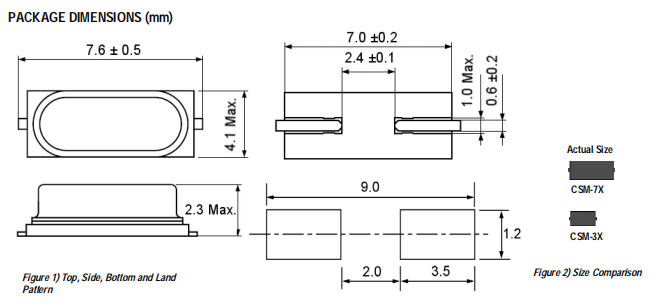
ECS-300-20-3X-EN-TR,CSM-3X,30MHz,ECS貼片晶振,美國進口諧振器,石英晶體諧振器,ECS晶振,通信網絡晶振 ,型號:CSM-3X系列晶振,編碼為:ECS-300-20-3X-EN-TR,頻率:30MHz,負載電容:20pf,尺寸:7.6*4.1mm,無源晶體諧振器,SMD晶振,CSM-3X 石英晶體 CSM-3X是小型低輪廓電阻焊接型 貼片石英晶體。減少CSM-7X(HC-49 usx)的占地面積 SMD)減少50%,應用于手機,電腦,GPS,工業用無線通信設備等。
.jpg)
ECS-300-20-3X-EN-TR,CSM-3X,30MHz,ECS貼片晶振
PARAMETERS | CONDITIONS | CSM-3X | UNITS | |||||||||||||||
MIN | TYP | MAX | ||||||||||||||||
Frequency Range | fo | 30 | MHz | |||||||||||||||
Frequency Tolerance | at +25°C | ± 30 | ppm | |||||||||||||||
Frequency Stability ref @+25°C | Standard -10 to +70°C | ± 50 | ppm | |||||||||||||||
Shunt Capacitance | Co | 7 | pF | |||||||||||||||
Load Capacitance (CL) | Specify in P/N | 10 | 20 | Series | pF | |||||||||||||
Drive Level | 100 | µW | ||||||||||||||||
Operating Temperature | Standard | -10 | +70 | °C | ||||||||||||||
Storage Temperature | -40 | +85 | °C | |||||||||||||||
Aging (First Year) | @ +25°C ±3°C | ±5 | ppm |
.jpg)
ECS-300-20-3X-EN-TR,CSM-3X,30MHz,ECS貼片晶振
.png)
.png)
Manufacturer Part Number原廠編碼 | Manufacturer廠家 | Series型號 | Frequency |
ECS-120-20-5PX-TR | ECS晶振 | CSM-7X | 12MHz |
ECS-250-20-3X-TR | ECS晶振 | CSM-3X | 25MHz |
ECS-120-20-3X-TR | ECS晶振 | CSM-3X | 12MHz |
ECS-160-20-3X-TR | ECS晶振 | CSM-3X | 16MHz |
ECS-143-20-3X-TR | ECS晶振 | CSM-3X | 14.31818MHz |
ECS-147.4-20-3X-TR | ECS晶振 | CSM-3X | 14.7456MHz |
ECS-184-20-3X-TR | ECS晶振 | CSM-3X | 18.432MHz |
ECS-200-20-3X-TR | ECS晶振 | CSM-3X | 20MHz |
ECS-245.7-20-3X-TR | ECS晶振 | CSM-3X | 24.576MHz |
ECS-286.3-20-3X-EN-TR | ECS晶振 | CSM-3X | 28.63636MHz |
ECS-300-20-3X-EN-TR | ECS晶振 | CSM-3X | 30MHz |
ECS-400-20-3X-EN-TR | ECS晶振 | CSM-3X | 40MHz |
ECS-49-20-5PX-TR | ECS晶振 | CSM-7X | 4.9152MHz |
ECS-160-20-3X-EN-TR | ECS晶振 | CSM-3X | 16MHz |
ECS-122.8-20-3X-EN-TR | ECS晶振 | CSM-3X | 12.288MHz |
ECS-147.4-20-3X-EN-TR | ECS晶振 | CSM-3X | 14.7456MHz |
ECS-250-20-3X-EN-TR | ECS晶振 | CSM-3X | 25MHz |
ECS-50-20-5PX-TR | ECS晶振 | CSM-7X | 5MHz |
ECS-120-18-5PX-TR | ECS晶振 | CSM-7X | 12MHz |
ECS-40-20-5PX-TR | ECS晶振 | CSM-7X | 4MHz |
ECS-80-18-5PX-TR | ECS晶振 | CSM-7X | 8MHz |
ECS-184-18-5PX-TR | ECS晶振 | CSM-7X | 18.432MHz |
ECS-147.4-20-5PX-TR | ECS晶振 | CSM-7X | 14.7456MHz |
ECS-160-20-5PX-TR | ECS晶振 | CSM-7X | 16MHz |
ECS-245.7-20-5PX-TR | ECS晶振 | CSM-7X | 24.576MHz |
ECS-250-18-5PX-F-TR | ECS晶振 | CSM-7X | 25MHz |
ECS-240-12-5PX-TR | ECS晶振 | CSM-7X | 24MHz |
ECS-36-20-5PX-TR | ECS晶振 | CSM-7X | 3.6864MHz |
ECS-100-18-5PX-TR | ECS晶振 | CSM-7X | 10MHz |
ECS-98.3-20-5PX-TR | ECS晶振 | CSM-7X | 9.8304MHz |
ECS-184-20-5PX-TR | ECS晶振 | CSM-7X | 18.432MHz |
ECS-35-17-5PX-TR | ECS晶振 | CSM-7X | 3.579545MHz |
ECS-110.5-S-5PX-TR | ECS晶振 | CSM-7X | 11.0592MHz |
ECS-200-20-5PX-TR | ECS晶振 | CSM-7X | 20MHz |
ECS-36-S-5PX-TR | ECS晶振 | CSM-7X | 3.6864MHz |
ECS-41-20-5PX-TR | ECS晶振 | CSM-7X | 4.096MHz |
ECS-200-16-5PX-TR | ECS晶振 | CSM-7X | 20MHz |
ECS-240-20-5PX-TR | ECS晶振 | CSM-7X | 24MHz |
ECS-60-32-5PX-TR | ECS晶振 | CSM-7X | 6MHz |
ECS-73-20-5PX-TR | ECS晶振 | CSM-7X | 7.3728MHz |
ECS-92.1-20-5PX-TR | ECS晶振 | CSM-7X | 9.216MHz |
ECS-40-S-5PX-TR | ECS晶振 | CSM-7X | 4MHz |
ECS-160-S-5PX-TR | ECS晶振 | CSM-7X | 16MHz |
ECS-120-20-3X-EN-TR | ECS晶振 | CSM-3X | 12MHz |
ECS-200-20-3X-EN-TR | ECS晶振 | CSM-3X | 20MHz |
ECS-60-20-5PX-TR | ECS晶振 | CSM-7X | 6MHz |
ECS-184-S-5PX-TR | ECS晶振 | CSM-7X | 18.432MHz |
ECS-50-S-5PX-TR | ECS晶振 | CSM-7X | 5MHz |
ECS-110.5-32-5PX-TR | ECS晶振 | CSM-7X | 11.0592MHz |
ECS-61-32-5PX-TR | ECS晶振 | CSM-7X | 6.144MHz |
ECS-120-32-5PX-TR | ECS晶振 | CSM-7X | 12MHz |
ECS-270-18-5PX-F-TR | ECS晶振 | CSM-7X | 27MHz |
ECS-49-S-5PX-TR | 進口晶振 | CSM-7X | 4.9152MHz |
ECS-100-S-5PX-TR | ECS晶振 | CSM-7X | 10MHz |
ECS-147.4-S-5PX-TR | ECS晶振 | CSM-7X | 14.7456MHz |
ECS-135.6-12-5PX-TR | ECS晶振 | CSM-7X | 13.56MHz |
ECS-120-S-5PX-TR | ECS晶振 | CSM-7X | 12MHz |
ECS-122.8-S-5PX-TR | ECS晶振 | CSM-7X | 12.288MHz |
ECS-.327-12.5-34B-TR | ECS晶振 | ECX-31B | 32.768kHz |
ECS-.327-12.5-17X-TR | ECS晶振 | ECX-306X | 32.768kHz |
ECS-.327-12.5-13X | ECS晶振 | ECS-2X6X | 32.768kHz |
ECS-.327-12.5-38-TR | ECS晶振 | ECX-71 | 32.768kHz |
ECS-.327-7-34B-TR | ECS 晶振 | ECX-31B | 32.768kHz |
ECS-.327-6-17X-TR | ECS 晶振 | ECX-306X | 32.768kHz |
ECS-200-18-5PX-TR | ECS 晶振 | CSM-7X | 20MHz |
ECS-.327-12.5-17X-C-TR | ECS 晶振 | ECX-306X | 32.768kHz |
ECS-.327-CDX-1128 | ECS 晶振 | ECS-CDX | 32.768kHz |
ECS-.327-7-38-TR | ECS 晶振 | ECX-71 | 32.768kHz |
ECS-80-18-5PX-JEM-TR | ECS 晶振 | CSM-7X | 8MHz |
ECS-49-18-5PX-JEM-TR | ECS 晶振 | CSM-7X | 4.9152MHz |
ECS-.327-12.5-13FLX-C | ECS 晶振 | ECS-2x6-FLX | 32.768kHz |
ECS-35-17-5PXDN-TR | ECS 晶振 | CSM-7X-DN | 3.579545MHz |
ECS-120-12-33Q-JES-TR | ECS 晶振 | ECX-33Q | 12MHz |
ECS-135.6-12-33Q-JES-TR | ECS 晶振 | ECX-33Q | 13.56MHz |
ECS-147.4-12-33Q-JES-TR | ECS 晶振 | ECX-33Q | 14.7456MHz |
ECS-160-12-33Q-JES-TR | ECS 晶振 | ECX-33Q | 16MHz |
ECS-163.8-12-33Q-JES-TR | ECS 晶振 | ECX-33Q | 16.384MHz |
ECS-184-12-33Q-JES-TR | ECS 晶振 | ECX-33Q | 18.432MHz |
ECS-240-12-33Q-JES-TR | ECS 晶振 | ECX-33Q | 24MHz |
ECS-250-12-33Q-JES-TR | ECS 晶振 | ECX-33Q | 25MHz |
ECS-270-12-33Q-JES-TR | ECS 晶振 | ECX-33Q | 27MHz |
ECS-286.3-12-33Q-JES-TR | ECS 晶振 | ECX-33Q | 28.63636MHz |
ECS-300-12-33Q-JES-TR | ECS 晶振 | ECX-33Q | 30MHz |
ECS-40-20-5PXDN-TR | ECS 晶振 | CSM-7X-DN | 4MHz |
ECS-80-18-5PXDN-TR | ECS 晶振 | CSM-7X-DN | 8MHz |
ECS-3X8X | ECS 晶振 | ECS-3X8X | 32.768kHz |
ECS-.327-12.5-13 | ECS 晶振 | ECS-2x6 | 32.768kHz |
ECS-3X8 | ECS 晶振 | ECS-3X8 | 32.768kHz |
ECS-40-18-5PXEN-TR | ECS 晶振 | CSM-7X | 4MHz |
ECS-76.8-18-5PXEN-TR | ECS 晶振 | CSM-7X | 7.68MHz |
ECS-98.3-18-5PXEN-TR | ECS 晶振 | CSM-7X | 9.8304MHz |
ECS-42-18-5PXEN-TR | ECS 晶振 | CSM-7X | 4.194304MHz |
ECS-110-18-5PXEN-TR | ECS 晶振 | CSM-7X | 11MHz |
ECS-110.5-18-5PXEN-TR | ECS 晶振 | CSM-7X | 11.0592MHz |
ECS-160-10-36Q-ES-TR | ECS 晶振 | ECX-2236Q | 16MHz |
ECS-240-10-36Q-ES-TR | ECS 晶振 | ECX-2236Q | 24MHz |
ECS-250-10-36Q-ES-TR | ECS 晶振 | ECX-2236Q | 25MHz |
ECS-260-10-36Q-ES-TR | ECS 晶振 | ECX-2236Q | 26MHz |
ECS-270-10-36Q-ES-TR | ECS 晶振 | ECX-2236Q | 27MHz |
ECS-320-10-36Q-ES-TR | ECS 晶振 | ECX-2236Q | 32MHz |
ECS-.327-12.5-34B-C-TR | ECS 晶振 | ECX-31B | 32.768kHz |
ECS-.327-9-34B-TR | ECS 晶振 | ECX-31B | 32.768kHz |
ECS-135.6-20-3X-TR | ECS 晶振 | CSM-3X | 13.56MHz |
ECS-196.6-20-3X-TR | ECS 晶振 | CSM-3X | 19.6608MHz |
ECS-184-20-3X-EN-TR | ECS 晶振 | CSM-3X | 18.432MHz |
ECS-286.3-20-3X-TR | ECS 晶振 | CSM-3X | 28.63636MHz |
.jpg)
QQ:769468702
手機:13590198504
郵箱:zhaoxiandz@163.com
網站:http://m.aussielandgroup.com/