晶振分類
- 晶振系列
- 陶瓷晶振
- 陶瓷濾波器
- 微孔霧化片
- 希華晶體
- 石英晶振
- SMD晶振
- 聲表面諧振器
- NSK晶振
- TXC晶振
- 臺灣加高晶振
- 臺灣鴻星晶振
- 百利通亞陶晶振
- 臺灣泰藝晶振
- AKER晶振
- NKG晶振
- 進口晶振
- KDS晶振
- 精工晶振
- 村田晶振
- 西鐵城晶振
- 愛普生晶振
- 亞陶,嘉碩晶體
- CTS晶體
- 京瓷晶振
- NDK晶振
- 大河晶振
- 瑪居禮晶振
- 富士晶振
- NAKA晶振
- SMI晶振
- NJR晶振
- 移動設備
- 數碼電子
- 通信網絡
- 醫療電子
- 安防GPRS導航
- 汽車電子
- 歐美晶振
- Abracon晶振
- 康納溫菲爾德晶振
- 日蝕晶振
- ECS晶振
- 高利奇晶振
- 格林雷晶振
- IDT晶振
- JAUCH晶振
- Pletronics晶振
- 拉隆晶振
- Statek晶振
- SiTime晶振
- 維管晶振
- 瑞康晶振
- 微晶晶振
- AEK晶振
- AEL晶振
- Cardinal晶振
- Crystek晶振
- Euroquartz晶振
- Fox晶振
- Frequency晶振
- GEYER晶振
- KVG晶振
- ILSI晶振
- Mmdcomp晶振
- MtronPTI晶振
- QANTEK晶振
- QuartzCom晶振
- Quarztechnik晶振
- Suntsu晶振
- Transko晶振
- Wi2Wi晶振
- ACT晶振
- MTI-milliren晶振
- Lihom晶振
- Rubyquartz晶振
- Oscilent晶振
- SHINSUNG晶振
- ITTI晶振
- PDI晶振
- IQD晶振
- Microchip晶振
- Silicon晶振
- Anderson晶振
- Fortiming晶振
- CORE晶振
- NIPPON晶振
- NIC晶振
- QVS晶振
- Bomar晶振
- Bliley晶振
- GED晶振
- FILTRONETICS晶振
- STD晶振
- Q-Tech晶振
- Wenzel晶振
- NEL晶振
- EM晶振
- PETERMANN晶振
- FCD-Tech晶振
- HEC晶振
- FMI晶振
- Macrobizes晶振
- AXTAL晶振
- Sunny晶振
- ARGO晶振
- 石英晶體振蕩器
- 有源晶振
- 溫補晶振
- 壓控晶振
- 壓控溫補晶振
- 恒溫晶振
- 差分晶振
常見問題
更多>>
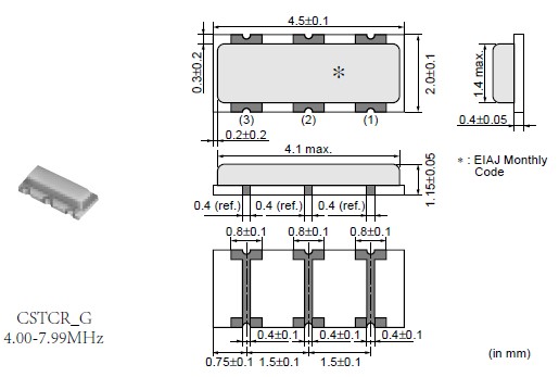
CSTCR_G,陶瓷晶振,村田晶振,該系列產品可在很寬溫度范圍內保持穩定, 該陶瓷晶振尺寸小,重量輕,并具有卓越的抗振性能,利用它們可實現免調整振蕩器電路的設計.
卍卍卍卍卍卍卍卍卍卍卍卍卍卍卍卍卍卍卍卍卍卍卍卍卍卍卍卍卍卍卍卍卍卍卍卍卍卍卍卍卍卍卍卍卍卍卍
晶振規格:
晶振尺寸:
卍卍卍卍卍卍卍卍卍卍卍卍卍卍卍卍卍卍卍卍卍卍卍卍卍卍卍卍卍卍卍卍卍卍卍卍卍卍卍卍卍卍卍卍卍卍卍
晶振規格:
振蕩頻率(Mhz) | 初始偏差 | 溫度穩定性(%) |
2.00 ~ 3.99 | ±0.5% |
±0.3 [±0.4%:Built-in Capacitance 47pF type within Freq 2.00 to 3.49Mhz] |
4.00 ~ 7.99 | ±0.5% | ±0.2 |
8.00 ~ 13.99 | ±0.5% | ±0.2 |
14.00 ~ 20.00 | ±0.5% | ±0.3 |
20.00 ~ 33.86 | ±0.5% | ±0.3 |
20.01 ~ 70.00 | ±0.5% | ±0.2 |
20.01 ~ 70.00 | ±0.5% | ±0.2 |
25.00 ~ 48.00 | ±0.5% | ±0.2 |
